Ведущий поставщик редукторов...
...мотор-редукторов, приводных цепей...
+7(980)700-5-777

Каталог Прайс-листыРасширенный поискО компанииБанк знанийКонтакты
Каталог / Редукторы / Цилиндрические / Соосные / Серия 1Ц2С

1Ц2С63

Редуктор цилиндрический двухступенчатый соосный 1Ц2С63

 

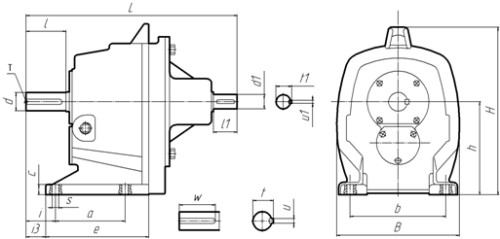
1Ц2С-63 на лапах

 

Размеры выходного вала, мм

Цилиндрический

 

d t l u w T
28 31 60 8 58

M10

 

Размеры входного вала

 

d1 t1 l1 u1
22 24,5 36 6

 

Присоединительные размеры, мм

 

a b c e s
110 150 16 160 12

 

Габаритные размеры, мм

 

h i i3 L B H
140 48 33 331 185 260

 

1Ц2С-63 фланцевое исполнение

 

Цилиндрический

 

d t l u w T
28 31 60 8 58

M10

 

 

 

Размеры входного вала

 

d1 t1 l1 u1
22 24,5 36 6

 

 

 

Присоединительные размеры, мм

 

a1 b1 c1 e1 f1 s1
200 130 12 185 5 11

 

Габаритные размеры, мм

 

h1 i2 L B H
140 69 331 200 260

 

ООО НПК "Промпривод " 150008, г. Ярославль, пр. Машиностроителей, д. 83. ПОКАЗАТЬ СХЕМУ ПРОЕЗДА
тел.: +7 (980) 700-5-777 многоканальный info1@promprivod.ru
Червячный редуктор, цилиндрический редуктор, мотор редуктор от ведущего поставщика редукторов.
  
Создание и продвижение сайтов в Ярославле. "Perspektiva"