Ведущий поставщик редукторов...
...мотор-редукторов, приводных цепей...
+7(980)700-5-777

Каталог Прайс-листыРасширенный поискО компанииБанк знанийКонтакты
Каталог / Редукторы / Червячные / Двухступенчатые российского производства / Серия 2Ч

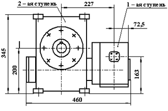
2Ч63/100М

Редуктор червячный двухступенчатый 2Ч-63/100М

     

 

 

 

    

 

 

Техническая характеристика.

 

Межосевое расстояние 1-ой ступени/2-ой ступени, мм 63/100
 Номинальное передаточное число, общее 160
200
250 400
 Допустимый крутящий момент на выходном валу, НТм 450
Расчетная мощность на входном валу при частоте вращения 1500 об/мин, кВт
0,62
0,52 0,44 0,30

 

Пример условного обозначения редуктора при заказе:

 

ООО НПК "Промпривод " 150008, г. Ярославль, пр. Машиностроителей, д. 83. ПОКАЗАТЬ СХЕМУ ПРОЕЗДА
тел.: +7 (980) 700-5-777 многоканальный info1@promprivod.ru
Червячный редуктор, цилиндрический редуктор, мотор редуктор от ведущего поставщика редукторов.
  
Создание и продвижение сайтов в Ярославле. "Perspektiva"